值得收藏的折彎展開法最全總結
億萊建材 2019-05-27 12:13:20
展開計算原理
板料在彎曲過程中外層受到拉應力,內層受到壓應力,從拉到壓之間有一既不受拉力又不受壓力的過渡層--中性層,中性層在彎曲過程中的長度和彎曲前一樣,保持不變,所以中性層是計算彎曲件展開長度的基準.中性層位置與變形程度有關,當彎曲半徑較大,折彎角度較小時,變形程度較小,中性層位置靠近板料厚度的中心處,當彎曲半徑變小,折彎角度增大時,變形程度隨之增大,中性層位置逐漸向彎曲中心的內側移動.中性層到板料內側的距離用λ表示。
計算方法
展開的基本公式: 展開長度=料內+料內+補償量
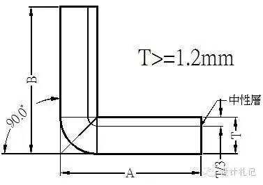
4.1 R=0,折彎角θ=90°(T<1.2,不含1.2mm) L=(A-T)+(B-T)+K =A+B-2T+0.4T 上式中取:λ=T/4 K=λ*π/2 =T/4*π/2 =0.4T |
| |
4.2 R=0, θ=90° (T≧1.2,含1.2mm) L=(A-T)+(B-T)+K =A+B-2T+0.5T 上式中取:λ=T/3 K=λ*π/2 =T/3*π/2 =0.5T |
| |
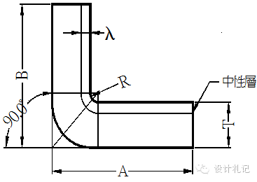
4.3 R≠0 θ=90° L=(A-T-R)+(B-T-R)+(R+λ)*π/2 當R ≧5T時 λ=T/2 1T≦ R <5T λ=T/3 0 < R <T λ=T/4 (實際展開時除使用尺寸計算方法外,也可在確定中性層位置后,通過偏移再實際測量長度的方法.以下相同) |
| |
4.4 R=0 θ≠90° λ=T/3 L=[A-T*tan(a/2)]+[B -T*tan(a/2)]+T/3*a (a單位為rad,以下相同) |
| |
4.5 R≠0 θ≠90° L=[A-(T+R)* tan(a/2)]+[B -(T+R)*tan(a/2)]+(R+λ)*a 當R ≧5T時 λ=T/2 1T≦ R <5T λ=T/3 0 < R <Tλ=T/4 |
| |
4.6 Z折1. 計算方法請示上級,以下幾點原則僅供參考: (1)當C≧5時,一般分兩次成型,按兩個90°折彎計算.(要考慮到折彎沖子的強度) L=A-T+C+B+2K (2)當3T<C<5時<一次成型>: L=A-T+C+B+K (3)當C≦3T時<一次成型>: L=A-T+C+B+K/2 |
| |
4.7 Z折2. C≦3T時<一次成型>: L=A-T+C+B+D+K |
| |
4.8 抽芽 抽芽孔尺寸計算原理為體積不變原理,即抽孔前后材料體積不變;ABCD四邊形面積=GFEA所圍成的面積. 一般抽孔高度不深取H=3P(P為螺紋距離),R=EF見圖 ∵ T*AB=(H -EF)*EF+π*(EF)2/4 ∴ AB={H*EF+(π/4-1)*EF2}/T ∴預沖孔孔徑=D – 2AB T≧0.8時,取EF=60%T. 在料厚T<0.8時,EF的取值請示上級. |
| |
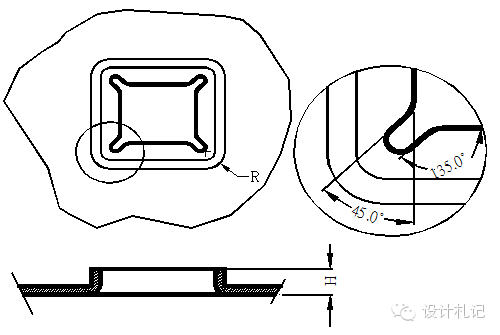
4.9 方形抽孔 方形抽孔,當抽孔高度較高時(H>Hmax),直邊部展開與彎曲一致, 圓角處展開按保留抽高為H=Hmax的大小套彎曲公式展開,連接處用45度線及圓角均勻過渡, 當抽孔高度不高時(H≦Hmax)直邊部展開與彎曲一致,圓角處展開保留與直邊一樣的偏移值. 以下Hmax取值原則供參考. 當R≧4MM時: 材料厚度T=1.2~1.4取Hmax =4T 材料厚度T=0.8~1.0取Hmax =5T 材料厚度T=0.7~0.8取Hmax =6T 材料厚度T≦0.6取Hmax =8T 當R<4MM時,請示上級. |
| |
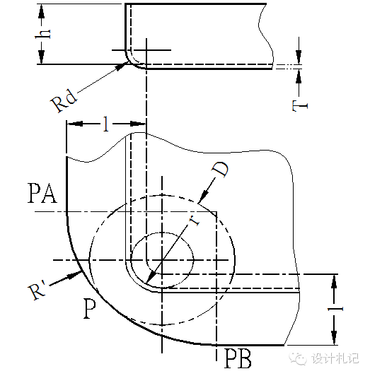
4.10壓縮抽形1 (Rd≦1.5T) 原則:直邊部分按彎曲展開,圓角部分按拉伸展開,然后用三點切圓(PA-P-PB)的方式作一段與兩直邊和直徑為D的圓相切的圓弧. 當Rd≦1.5T時,求D值計算公式如下: D/2=[(r+T/3)2+2(r+T/3)*(h +T/3)]1/2 |
| |
4.11壓縮抽形2 (Rd>1.5T) 原則:直邊部分按彎曲展開,圓角部分按拉伸展開,然后用三點切圓(PA-P-PB)的方式作一段與兩直邊和直徑為D的圓相切的圓弧. 當Rd>1.5T時: l按相應折彎公式計算. D/2={(r+T/3)2 +2(r+T/3)*(h+T/3) -0.86*(Rd-2T/3)*[(r+T/3) +0.16*(Rd-2T/3)]}1/2 |
| |
4.12卷圓壓平 圖(a): 展開長度 L=A+B-0.4T 圖(b): 壓線位置尺寸 A-0.2T 圖(c): 90°折彎處尺寸為A+0.2T 圖(d): 卷圓壓平后的產品形狀 |
| |
4.13側沖壓平 圖(a): 展開長度 L=A+B-0.4T 圖(b): 壓線位置尺寸 A-0.2T 圖(c): 90°折彎處尺寸為A+1.0T 圖(d): 側沖壓平后的產品形狀 |
| |
4.14 綜合計算如圖: L=料內+料內+補償量 =A+B+C+D +中性層弧長(AA+BB+CC) (中性層弧長均按 “中性層到板料內側距離λ=T/3”來計算) |
| |
備注:
a標注公差的尺寸設計值:取上下極限尺寸的中間值作為設計標準值.
b孔徑設計值:一般圓孔直徑小數點取一位(以配合沖頭加工方便性),例:3.81取3.9.有特殊公差時除外,例:Φ3.80+0.050取Φ3.84.
c 產品圖中未作特別標注的圓角,一般按R=0展開.


















